Bordelektriker gefragt

Alles zum Thema Technik Bootsfahrer helfen Bootfahrern

Moderatoren: bachris, Willi, gima10

Forumsregeln
Bitte beachte, dass Werbung hier unerwünscht ist und Links oder ganze Beträge, die nur Werbezwecken dienen, kommentarlos gelöscht werden! Bei Nichtbeachtung dieser Regel kann Dein Account vorübergehend oder gänzlich gesperrt werden!
Antworten
Benutzeravatar
Hbg51
Obermaat
Obermaat
Beiträge: 170
Registriert: Sonntag 7. August 2005, 07:57
Bootsfahrtyp: Segler
Lieblingsrevier: Kroatien, Neusiedlersee
Wohnort: Hainburg/Donau
Kontaktdaten:

Bordelektriker gefragt

Beitrag von Hbg51 » Donnerstag 30. Oktober 2008, 06:44

Wer kann mir helfen ? :ueberl:

gibt es einen Schalter oder ein Relais, das auf einer Schaltstellung zwei Batterien parallel schaltet (12 Volt),
auf der anderen Stellung in Serie (24 Volt) ? :ahnung:

Bei unserem, eben gekauften Boot, hat der Vorbesitzer die Batterien immer umgeschloßen, wenn er mit dem 24 Volt-Motor gefahren ist.
Nicht das meine Frau das nicht könnte wenn sie alleine mit dem Boot fährt, aber eine "saubere" Lösung währe mir da schon lieber.
Die mir bekannten Schalter schalten entweder 1. Batterie, 2. Batterie oder beide parallel
Nehmt das Leben nicht so ernst, da kommt Ihr sowieso nicht Lebend raus
l. G. Robert
http://www.griehsler.at

Benutzeravatar
Willi
Moderator
Moderator
Beiträge: 1487
Registriert: Montag 29. März 2004, 16:39
Bootsfahrtyp: Segler & Motorbootfahrer
Lieblingsrevier: Salzwasser
Wohnort: Wien
Kontaktdaten:

Re: Bordelektriker gefragt

Beitrag von Willi » Donnerstag 30. Oktober 2008, 08:37

Hallo Robert!
Dazu erst einige Fragen :1:was wird an Bord mit 12V und was mit 24V betrieben
2: und wie und mit welcher Spannung werden die Batterien geladen?
3: Soll 12V und 24V zu selben Zeit zur Verfügung stehen?
Liebe Grüße
Willi :sailm:

Benutzeravatar
scr69
Steuermann
Steuermann
Beiträge: 284
Registriert: Dienstag 22. Juni 2004, 18:27
Bootsfahrtyp: Segler
Lieblingsrevier: Kroatien
Wohnort: Wien

Re: Bordelektriker gefragt

Beitrag von scr69 » Donnerstag 30. Oktober 2008, 09:54

Hallo Robert,

wenn du nur den motor betreiben möchtest, mit welcher Stromstärke haben wir es da zu tun,
welchen Kabelquerschnitt hast du verlegt??

lg Christian
Das schöne am Segeln ist der Weg und nicht das Ziel

Benutzeravatar
Hbg51
Obermaat
Obermaat
Beiträge: 170
Registriert: Sonntag 7. August 2005, 07:57
Bootsfahrtyp: Segler
Lieblingsrevier: Kroatien, Neusiedlersee
Wohnort: Hainburg/Donau
Kontaktdaten:

Re: Bordelektriker gefragt

Beitrag von Hbg51 » Donnerstag 30. Oktober 2008, 13:36

Willi hat geschrieben:Hallo Robert!
Dazu erst einige Fragen :1:was wird an Bord mit 12V und was mit 24V betrieben
2: und wie und mit welcher Spannung werden die Batterien geladen?
3: Soll 12V und 24V zu selben Zeit zur Verfügung stehen?
also mit 12 Volt wird der Kühlschrank, die Wasserpumpe, der Radio und die Lichtanlage betrieben,
mit 24 Volt ausschließlich der Motor.
Der eingebaute Sterling Pro Charge ladet mit 14,2 - 14,4 Volt

scr69 hat geschrieben:wenn du nur den motor betreiben möchtest, mit welcher Stromstärke haben wir es da zu tun,
welchen Kabelquerschnitt hast du verlegt??
die Stromstärke kann ich derzeit nur schätzen, und zwar ca 40 Ampere, der Vorbesitzer hat 8 mm Kabel verlegt
Nehmt das Leben nicht so ernst, da kommt Ihr sowieso nicht Lebend raus
l. G. Robert
http://www.griehsler.at

Benutzeravatar
scr69
Steuermann
Steuermann
Beiträge: 284
Registriert: Dienstag 22. Juni 2004, 18:27
Bootsfahrtyp: Segler
Lieblingsrevier: Kroatien
Wohnort: Wien

Re: Bordelektriker gefragt

Beitrag von scr69 » Donnerstag 30. Oktober 2008, 14:38

Hallo Robert,

gut, du möchtest also scheinbar beide Systeme gleichzeitig benutzen.
Dann solltest du dir für die Leitung zum Motor einen Seriell-parallel Gruppenschalter zulegen.
Habe ein bischen gestöbert und mich umgehört.
Folgende Firma biete sowas an: http://www.krausnaimer.com/1/swfunc/funcmain.htm
Wiviel Strom der Schalter aushält, kann ich dir jetzt aber nicht sagen,
dafür gibts aber bestimmt Spezialisten in dieser Firma.

Hoffe Dir ist geholfen und Du findest das Richtige.

LG Christian
Das schöne am Segeln ist der Weg und nicht das Ziel

Benutzeravatar
Willi
Moderator
Moderator
Beiträge: 1487
Registriert: Montag 29. März 2004, 16:39
Bootsfahrtyp: Segler & Motorbootfahrer
Lieblingsrevier: Salzwasser
Wohnort: Wien
Kontaktdaten:

Re: Bordelektriker gefragt

Beitrag von Willi » Freitag 31. Oktober 2008, 00:28

Hallo Robert!
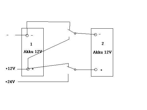
In dem Link von Christian habe ich den Schalter KG20 (für160A) gefunden Ein 2poliger Umschalter.
Die Zusammenschaltung siehe Bild Dargestellt ist die 12 Volt Stellung
Schaltplan.JPG
Diese Art hat aber mehrere Nachteile:
1:Geladen kann nur in der 12 Volt Stellung werden, da sonst nur der erste Akku geladen wird.
2:In der 24 Volt Stellung steht nur die halbe Ladungsmenge zur Verfügung
3:Wenn in der 24 Volt Stellung auch 12 Volt entnommen wird, so werden die Akkus unterschiedlich belastet und nach dem Zurückschalten fließen Ausgleichsströme.
Als Querschnitt würde ich 16mm2 verwenden
Sicherungen nicht vergessen
Selbstverständlich müssen es 2 gleiche Akkus (Ah und auch alter) sein

Die technisch beste Lösung wäre meines Erachtens:
Die Akkus immer auf 24 Volt fix zusammenschalten. Das Ladegerät gegen ein 24 Volt Modell tauschen. Für 12 Volt einen 24/12 Volt DC/DC Wandler (aber einen Getackteten) einbauen. Das ist zwar teurer hat aber den Vorteil das die beiden Akkus immer gleich geladen sind und auch gleich belastet werden.
Liebe Grüße
Willi :sailm:

Benutzeravatar
Hbg51
Obermaat
Obermaat
Beiträge: 170
Registriert: Sonntag 7. August 2005, 07:57
Bootsfahrtyp: Segler
Lieblingsrevier: Kroatien, Neusiedlersee
Wohnort: Hainburg/Donau
Kontaktdaten:

Re: Bordelektriker gefragt

Beitrag von Hbg51 » Freitag 31. Oktober 2008, 04:45

Danke für die prompte Hilfe :-i

ich werde mir das Ganze überlegen, klingt aber derzeit sehr gut :niederk:
Nehmt das Leben nicht so ernst, da kommt Ihr sowieso nicht Lebend raus
l. G. Robert
http://www.griehsler.at

Antworten

Wer ist online?

Mitglieder in diesem Forum: 0 Mitglieder und 5 Gäste